OMG OCSMP MBI300
Q: 1
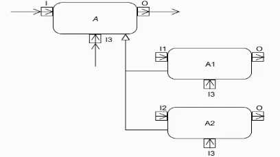
Given the following diagram:
Which statement is true?
Which statement is true?Options
Q: 2
Which statement is true about the read only keyword when it appears next to a property?
Options
Q: 3
A has three inputs I 1. I 2 and 13 and one output O, I1, I2. I3 and O are all of the same type A
requires I1 or I2 to execute but I1 and I2 are mutually exclusive. I3 must be present tor A to begin.
Which activity diagram fragment correctly shows A with its three inputs and one output?
A)
B)
C)
D)
E)

B)
C)
D)
E)

Options
Q: 4
Choose the correct answer
What is one key advantage of using SysML parametrics versus traditional derived properties?
Options
Q: 5
What is an efficient way to represent highly reused patterns of interaction on sequence diagrams?
Options
Q: 6
What is the statement "An activity specifies the behavior of a use case?
Options
Q: 7
Choose the correct answer
A system engineer has created a SysML block structure for his system-of-interest. Two of the blocks (M and E) represent system-level abstractions of components that will be designed by a mechanical engineer and an electrical engineer m their respective computer-aided design (CAD) tools. Given that the CAD models are wrapped as blocks B_mcad and B_ecad, what type of diagram should the system engineer use to quantitatively relate the properties of B_mcad and B_ecad to their system level abstractions M and E respectively?
Options
Q: 8
Which SysML construct is used to represent a connection point to an interaction when It is being
used by another interaction?
Options
Q: 9
Which diagram fragment validly depicts adding properties to a stereotype?
A)
B)
C)
D)

B)
C)
D)

Options
Q: 10
Annex C of the SysML specification describes optional stereotypes that are useful for modeling
requirements. Which stereotype are all the other stereotypes based upon, and which properties
does it add to a requirement?
Options
Question 1 of 10